水中液冷式リチウム電池のシミュレーション
リチウム イオン電池は、エネルギー密度が高くサイクル寿命が長いため、電気自動車のエネルギー貯蔵システムで広く使用されています。 バッテリー冷却技術には、空冷、液体冷却、相変化材料冷却、浸漬冷却が含まれます
浸漬冷却とは、バッテリー パックと冷却液が直接接触することです。 バッテリーモジュールを液体に浸すことにより、液体はバッテリーパックによって発生した熱を無差別に吸収して、物理的な冷却効果を得ることができます。 冷却方法には、次の利点があります。高い伝熱性能と温度均一性、バッテリー寿命の延長、熱暴走保護、および急速充電。

形状の準備とモデリング:
spaceclaim では幾何学的処理を行い、流体領域と電池セルを分割しています。 電池は絶縁液に浸され、電極は直接空気に触れて空冷されます。 絶縁流体はバッテリーの下部からバッテリーの上部に流れ、流体ドメインのダイアフラムの位置により、バッテリーの熱交換が均一になり、冷却性能が向上します。 gme3d での完全な幾何学的モデルの単純化と離散モデル。

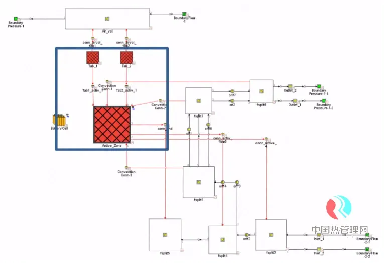
モデルが離散化された後、2 つの流体ドメイン (電極の空冷とバッテリー エッジの流体冷却) を含む gt-suite でモデル化されます。 流れと対流の熱伝達は、流体領域で流路ダイアフラムの等価性を完成させることによって、単純に等価にすることができます。

3C 放電条件で、さまざまな冷媒流量での放電終了時の電池内部の温度分布:
同じ放電条件下で、冷却液の流れがバッテリーの温度に与える影響を上の図に示します。 さまざまな流れの下で、バッテリーの右上で最高温度が発生することがわかります。

DOE 解析には、1D 水中バッテリー冷却過渡シミュレーション モデルが使用されます。 これは主に、コンセプト プロジェクトの初期段階における 1 次元シミュレーション解析のモデリングとシミュレーション計算の効率を反映しており、3 次元シミュレーションと一致する精度でモデリングとシミュレーションの時間を効果的に削減できます。






